XIZI FORVORDA GETM 3.0G Gearless Traction Machine
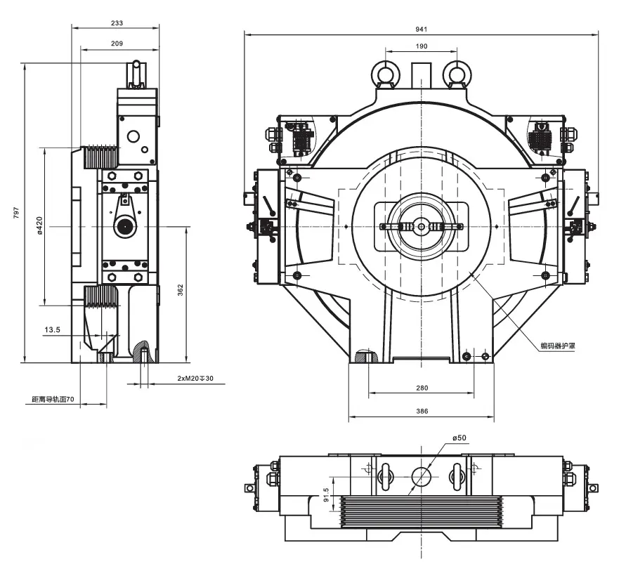
Dimension:

Technical Data

XIZI FORVORDA GETM 3.0G Gearless Traction Machine—Efficient, Stable Power for Modern Elevators
A lift that vibrates, makes noise, or consumes too much electricity quickly becomes a problem. Tenants complain. Maintenance costs rise. Building value suffers.
In many projects, the traction machine is the key factor behind these issues.
The XIZI GETM 3.0G Gearless Traction Machine, developed by XIZI Forvorda, is designed to deliver smooth operation, energy efficiency, and long-term reliability for passenger elevators. It is widely used in residential and commercial buildings that require consistent performance.
In this content, I also explain its features, specifications, applications, and real-world benefits.
Key Features of XIZI FORVORDA GETM 3.0G Gearless Traction Machine
1. Permanent Magnet Gearless Design
- Direct drive system
- High torque at low speed
- Smooth acceleration and deceleration
2. Energy-Efficient Operation
- Reduced power consumption
- Lower heat generation
- Improved overall system efficiency
3. Compact and MRL Compatible
- Suitable for a Machine Room with fewer elevators
- Saves building space
- Flexible installation options
4. Low Noise and Vibration
- Quiet operation
- Comfortable passenger ride
- Suitable for apartments, offices, and hospitals
5. Reliable Braking System
- Electromagnetic brake
- Accurate stopping and leveling
- Stable performance under load
Benefits for Building Owners and Developers
I. Lower Operating Costs
Permanent magnet systems typically consume less electricity than geared machines.
II. Reduced Maintenance
No gearbox means fewer moving parts. This lowers wear and reduces the need for servicing.
III. Smooth Ride Comfort
Stable torque control supports soft starts and accurate floor leveling.
IV. Long Service Life
With proper maintenance, the traction machine can operate efficiently for 15–20 years.
V. Space Optimization
Compact design supports modern MRL elevator systems. From an engineering perspective, gearless systems reduce mechanical loss. Over time, this improves overall elevator efficiency and lowers lifecycle cost.
How to Choose the Right Configuration
Before selecting this traction machine, evaluate:
- Elevator rated load
- Travel height and number of floors
- Required speed
- Controller compatibility
- Available shaft and machine space
- Site power conditions
Always consult a certified elevator engineer to confirm proper system integration.
Frequently Asked Questions (FAQs)
Q: What is the XIZI GETM 3.0? G?
It is a gearless permanent magnet traction machine used in passenger elevators.
Q: Is it suitable for MRL elevators?
Yes. Its compact design supports machine room-less installation.
Q: How long does it last?
With proper maintenance, it can operate for up to 20 years.
Q: Is gearless better than geared?
For many mid-rise buildings, gearless systems offer better efficiency, smoother performance, and lower maintenance.
Q: Can it be used for elevator upgrades?
Yes. It is suitable for modernization projects if compatibility requirements are met.
The XIZI GETM 3.0G Gearless Traction Machine provides smooth movement, lower energy consumption, and dependable long-term operation for passenger elevators. If you want stable performance and reduced operating costs, choose a traction system designed for efficiency and durability. Consult your elevator specialist today to confirm specifications and ensure proper installation for maximum performance.




Reviews
There are no reviews yet.